とりあえず頭の中を整理するために回路図を描いてみました。
バッテリーはシングルでもいいのかも知れませんが将来的に電機品が増えることを考えてデュアルにしてエンジン始動用(ENG)と船内電機品用(HOUSE)と分けてみることにしました。
この回路であればGPSなどでHOUSE側の消費電流が増えてバッテリーがへたってもエンジン側のバッテリーは温存されるのでセルモーターが回せなくなることは避けることが出来ます。 おまけに2個目のバッテリーを買うまではバッテリー切り替えスイッチをBothの位置にしておけばシングルと同じ状態になります。
HOUSE用の電源はバッテリー切り替えスイッチを介さずにバッテリー2からリレー(R1)の接点を経由して供給したらと思っています、こうするとバッテリー切り替えスイッチがOFFの時はリレーR1がOFFになるのでHOUSE電源も完全にOFFに出来ます。
HOUSE用電源をバッテリー切り替えスイッチの後から取ればこのリレーは不要になりますがこの場合はエンジン始動用とHOUSE用ともに選択されたバッテリーから供給されてもう一方のバッテリーは普段は仕事をしない完全な予備になってしまいます。
どちらの方式がより良いのか判断に悩みますが今日のところはENG、HOUSE分離方式を選んでおきます。
ソーラーパネルからの充電はENG側に接続してこちらのバッテリーが満充電になったらHOUSE側を充電する仕組みです。
具体的には二つのバッテリーの間にあるVSR(電圧感知リレー)がENG側のバッテリー電圧が13.3Vつまり満充電状態になった時にだけONになってHOUSE側バッテリーを充電します。
インバーターの電源にもリレーR2が入ってますがスイッチパネルの各スイッチの電流容量が20Aとなっていて300Wインバーターに必要な25A以上の電流に対応できないので接点容量50Aのリレーを入れました。
これはインバーターはダッシュボードの裏側に設置してインバーター本体に付いているスイッチは触れないものだということでこうしましたが触れる状態で設置できればこのリレーは不要になります。
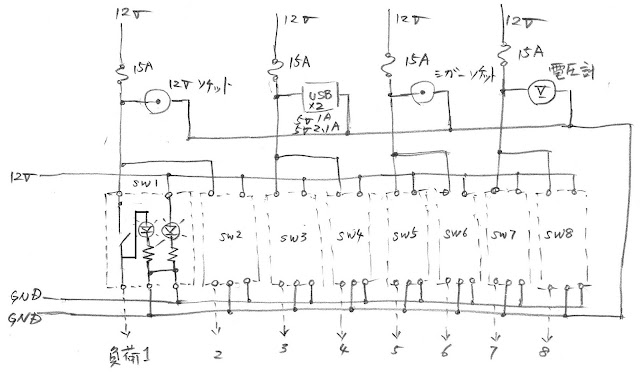
スイッチパネルは新たに購入したものを使います。
国内でも同じシリーズが売られていましたが8回路品がなくまた表示ランプの色も緑が無かったのでebayで買ったら中国から贈られてきました。お値段は送料込みでJPY 5,238。
お値段の割には電源電圧表示とかUSB電源なども付いている優れものです。
現物を見るとスイッチ2回路ごとに15Aヒューズが付いていますがスイッチ毎のヒューズは付いていません。
取り敢えず上の全体の回路図では8回路すべての出力側にヒューズボックスを入れていますがスイッチパネルのヒューズだけで済ませることが出来ないかゆっくり考えてみることにして現物の配線を見ながら回路図を書いたのがこれ。
スイッチ1個に常時点灯の小さなLEDとスイッチONの時の大きなLED表示が組み込まれています。
基本的にヒューズの役割はは配線されている電線の保護が主体で、負荷の保護が目的じゃないんです。
特にこの船のように電線がFRPの中に埋め込んであると電線が燃えた時には修復が難しいですからヒューズの定格とこのヒューズの後にぶら下がる電線の許容電流のマッチが重要になってきます。船内の配線は1.25㎟の電線で配線されているようですから15Aのヒューズで保護は出来ますのでその先にもっと細い線の部分が無ければ個別回路へのヒューズは不要かもしれません。
なんだかんだ言ってもやはり悩ましいのはバッテリー切り替えスイッチとVSRの配置、大きいうえに接続する電線が大きいのでどこにどう置けばいいのか、また、ダッシュボードを外す必要があるときにも回路を生かしたまま外せるようにしたいので余計悩ましいです。
いっそのことダッシュボードに直接取り付けるのではなくサブユニットにしてしまう手もあるかもしれません。
という訳で回路図は描いてみたもののまだ穴あけを決定するまでには至らずフラストレーションが溜まったまま。
バッテリーと繋ぐ太い電線も手持ちには無いし全部決めてから穴あけと言うのは今は無理かも、ダッシュボードの穴あけは少し先延ばししたほうが良いのかもしれません。
さてどうしましょうということで今日も1杯。




コメントを投稿