バッテリーセットが出来たので充電器を繋いでみることにしました。
実を言うと先に紹介した20Aの充電器では充電に時間がが掛かり過ぎるかもしれないということで追加で40Aのものも購入しています。
充電器を繋ぐ前に裸のバッテリー電圧とBMSを経由した電圧(最終端子電圧)を測ってみると裸のバッテリーは13V台の電圧が在るのに対してBMS経由の電圧はほぼゼロ、BMSは遮断状態のようです。
ちょっとここでBMSとバッテリーの配線を紹介、いつものように汚い手書きでごめんなさい。
BMSは上の図のように4つのバッテリーセル各々の電圧と4つを合計した電圧をモニターしていて電流を制限します。例えば合計した電圧が充電完了で14.6Vになれば過充電を防ぐために電流制御回路を働かせて充電を遮断してしまいます。
ここで本題に戻って、
BMSにせよ充電器にせよはたまたバッテリー本体にせよ中華製品の常で製品には何の説明書も添付されていません。 「販売サイトに情報出してたでしょう」てな乗りなんでしょうかね。
BMSは販売サイトの仕様詳細の中で使用開始時には充電サイクルでの初期化が必要と記載されていたので「はいはい、やってみましょう」と充電器を繋ぐことにしました。
40A充電器の出力をバッテリーに接続して電源を入れると端子電圧は14Vに上昇しますがバッテリー本体(BMSを通る前)の電圧は変わらず13V台のまま、充電電流を測ると0A、電流制御回路が遮断状態のままのようです。
「え~、BMSの初期不良?」と言うことでもう一つのバッテリーセットで試してみますが同じ現象、初期不良では無さそうです。
これは製造会社に問い合わせてみるしかないとネットをほじくりますが質問できるところが見つかりません。 この辺も中華製品を使うときのリスクですね。
困ったなと思いながら酒を飲んでいた時に思い当たったのが組み立て配線をしたときからBMSには電圧がかかっていて遮断状態を保持したままになっているんじゃないかと言うこと。そうなると端子に電圧掛けても遮断されてますから効果は無いですよね。
思い付いたらグラスを置いて早速実践、充電器を繋いで電圧をかけた状態でBMSとバッテリーを繋いでいるコネクターを引き抜いて再度挿入、途端に充電器のファンが回りだして充電開始となりました。 やったね! もう1セットの方も同じやり方で初期化完了です。
この日はここまで、追加の美味しいお酒を頂いてお休みなさいとなりました。
さて翌日、1個のセットに40Aチャージャーを繋いでみました。
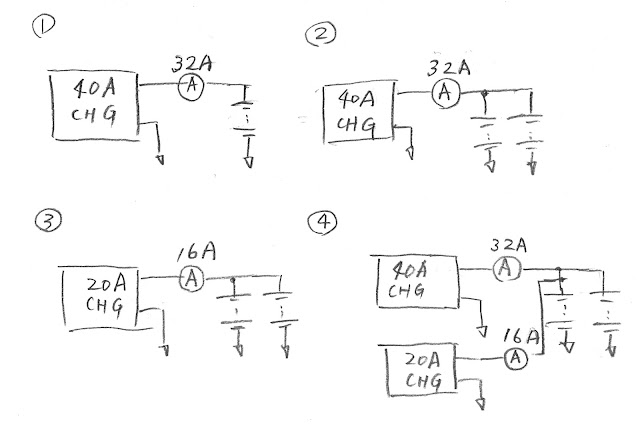
バッテリーの充電状態は不明ですが流れる電流は32A程度、40Aには程遠い値です。
「何でかな?」と言うことでもう1セットをブースターケーブルで並列に接続してみましたが電流値は変化なし。 40Aの看板に偽り在りって事でしょうか?
それだったら20Aチャージャーではどうでしょう、繋いでみると、あれ、16A程度しか流れません、
40Aチャージャーで30A程度流れるので目いっぱいの20A流れると思ったんですけどね? これが中華製チャージャーの実力なのかバッテリー電圧に対して出力電流を調整しているのか現時点では不明です。
ここでちょっと思い付いて40Aチャージャーと20Aチャージャーを同時に接続したらどうなるか試してみました。
すると面白いことに40Aチャージャーからは32A、20Aチャージャーからは16Aが供給されています。
ちょっとここまでのところは言葉だけでは判り辛いと思うので図に書いてみました。

ここまでの充電器の動きを見ていると40A,20Aチャージャーともにバッテリー電圧を見ながら出力電流の%を制御しているような気がします。
本当に20A、40A流せるのか確認するにはバッテリーを空の状態にするしかなさそうです。
嬉しいのは上の図の④のようにチャージャーを2台並列で使っても各々がちゃんと充電電流を流してくれること、20Aチャージャーはどうしようかと思っていましたが40Aチャージャーと並列で使えば60Aのチャージャーが実現できることになります。
このことの確認のため20A、40A並列の状態で充電を続けてどんな結果になるのか確認のために一晩充電、翌朝は40Aチャージャーは満充電を示す緑色LEDが点灯、20Aチャージャーの方は緑色LEDが点滅、バッテリーセットの端子電圧は14.6Vで充電電流は0Aと遮断状態になっていました。
20Aチャージャーの緑色LEDの点滅の意味を考えてみましたが、説明書が無いですからね、どうやら40Aチャージャーの出力電電圧がほんの少し高く「出力に逆電圧がかかっています」との表示のようです。
これでBMSと充電器のテストは終了、BMSはちゃんと動いてくれたし20A,40Aチャージャーの2台使いで60Aチャージが出来るということも判りました。
さて後は物理的なチャージャー搭載場所と合計で60Aになる充電回路の電線の引き回しをどうするか検討する番です。